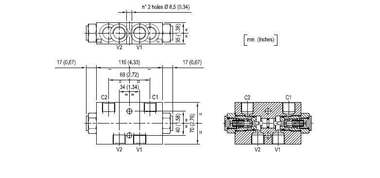
Zpětný ventil - 4 x 1/2"

SKU: 14741330

  • tlak max. 210 Bar
  • průtok 50L / min
114,95 €/ks bez DPH
139,09 €/ks s DPH (21%)
Cena cca:
3 441,09 Kč/ks s DPH (21%)
odeslání do 2 pracovních dní
kusů