Dvoutlaká pístová čerpadla se používají v hydraulických systémech vyžadujících dvě nezávislé hydraulické větve, pracující pod vysokým tlakem, často přesahující 250 barů: hákové nosiče, lesácké jeřáby, navijáky, atd. Dvoutlaké čerpadlo umožňuje nahradit dvě samostatná jednosměrná čerpadla.
Výhody dvoutlakých pístových čerpadel
- zesílené pouzdro zajišťující dlouhou životnost, jakož i odolnost vůči tlakovým rázům
- pracovní tlak až 400 bar při 2550 ot / min
- vysoký poměr výkonu k hmotnosti
- možnost nahrazení dvou samostatných jednotlakých čerpadel
jednoduchost instalace a použití
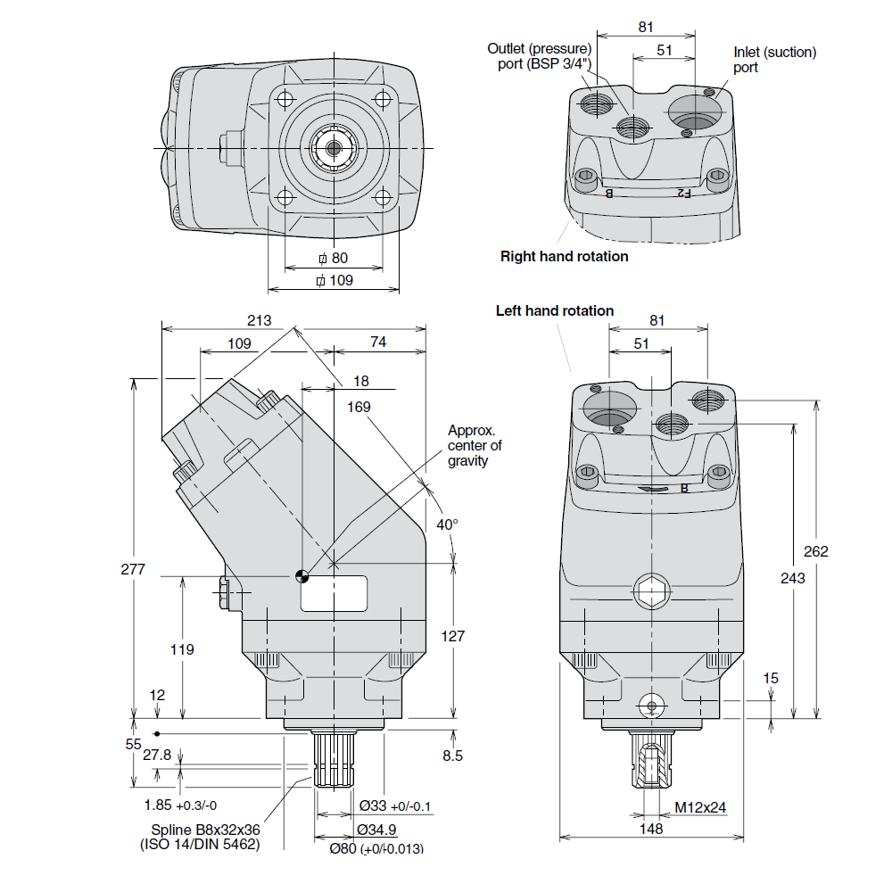
Technické údaje
- objem na otáčku - 55+28 cm³
- směr otáčení - levé
- pracovní tlak 350 bar
- hmotnost - 19 kg
- výltak - 3/4"